技术数据
技术数据
- 外壳颜色
- Polycarbonate (PC)
- 电压范围(DC)
- 110-130 V DC
- 电压范围(AC)
- 110-130 V AC
- 额定电压(DC)
- 120 V DC
- 额定电压 (AC)
- 115 V AC
- 电流类型
- AC/DC
- 工作温度 °C
- -20 °C ... +65 °C
- IP防护等级
- 65
- 最大相对湿度
- 90 %
- 可使用率
- 100 %
- 最大电流
- 0,02 A
- 最大声音 dB(A)
- 80 dB(A)
- 报警音调数量
- 2
- 外部可选音调数量
- 1
- AS-i
- not specified
- IO-Link
- no
- M12 - 连接
- no
- 监控功能
- no
- 接线端子
- screw terminals 1.5 mm²
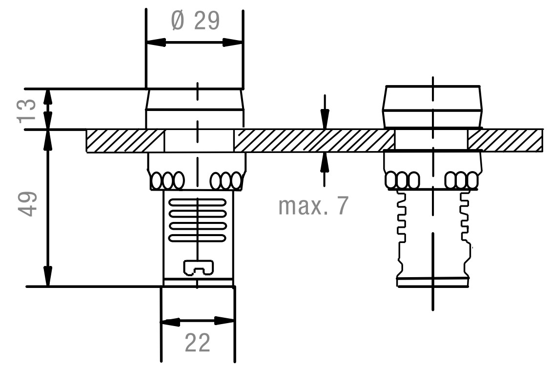
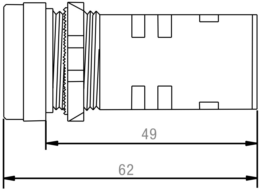
- 尺寸 (高 | 宽 | 深)
- 64 mm | 29 mm | 29 mm
- 净重
- 0,09 kg
- ETIM - 分类
- EC001026
- 外壳颜色
- Polycarbonate (PC)
- 电压范围(DC)
- 110-130 V DC
- 电压范围(AC)
- 110-130 V AC
- 额定电压(DC)
- 120 V DC
- 额定电压 (AC)
- 115 V AC
- 电流类型
- AC/DC
- 工作温度(英制)
- -4 °F ... +149 °F
- IP防护等级
- 65
- 最大相对湿度
- 90 %
- 可使用率
- 100 %
- 最大电流 (英制)
- 0.02 A
- 最大声音 dB(A)
- 80 dB(A)
- 报警音调数量
- 2
- 外部可选音调数量
- 1
- AS-i
- not specified
- IO-Link
- no
- M12 - 连接
- no
- 监控功能
- no
- 接线端子
- screw terminals 1.5 mm²
- 尺寸 (高 | 宽 | 深) (英制)
- 2.52 in. | 1.14 in. | 1.14 in.
- 净重(英制)
- 0.2 lbs
- ETIM - 分类
- EC001026
Technical Data
技术图纸
技术图纸
下载
下载
| Description | Type | Size | Link |
|---|---|---|---|
| Conformity_UKCA_085507042_Rev00_Sep21_P22_P28.pdf | 28.76 KB | Download |
| Description | Language | Type | Size | Link |
|---|---|---|---|---|
| CE_Declaration_Spectra_P22_28Dxx | Englisch | 44.88 KB | Download | |
| EAC_Certificate_Signaling | German | 293.12 KB | Download | |
| Product_Sheet_DE_P22_DBZ_P28 | German | 348.29 KB | Download | |
| CE_Declaration_Spectra_P22_28Dxx | German | 44.88 KB | Download | |
| EAC_Certificate_Signaling | Englisch | 293.12 KB | Download | |
| Product_Sheet_EN_P22_DBZ_P28 | Englisch | 349.27 KB | Download |